Section 3: Connect Symbols & Blocks

You can use the Selection and Smart Drawing Tool to draw most of the lines you need to connect symbols and blocks in a BDF. The lines that you draw to connect symbols and blocks include nodes, buses, and "conduits." Conduits are hollow lines that represent one or more unordered signals traveling to or from a block.

The Selection and Smart Drawing Tool automatically chooses the appropriate line style when you draw from a symbol pinstub or a block border. For example, it chooses the Orthogonal Node Tool or Orthogonal Bus Tool (depending on the width of the pinstub) when you draw from a symbol pinstub. The Selection and Smart Drawing Tool chooses the Orthogonal Conduit Tool when you draw from a block border. You can also choose a specific line type by clicking the Orthogonal Node Tool, Orthogonal Bus Tool, or Orthogonal Conduit Tool.

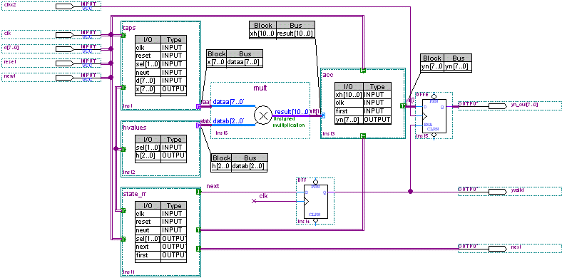
The Quartus II software makes connections automatically between blocks that have been connected together by a conduit. Conduits and signal mapping between blocks are discussed in greater detail later in this tutorial module. The following sections show you how to complete the filtref.bdf file by connecting the symbols and blocks, as shown in the following completed schematic:

Show Me

Completed filtref.bdf Block Design File


To continue the tutorial, proceed to Step 1: Draw Conduit Lines.