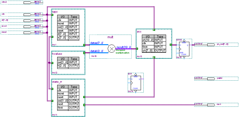
Step 4: Draw Bus Lines

To continue making bus connections, follow these steps:

  1. Click the Orthogonal Bus Tool button on the toolbar.

  2. Draw a bus line from the border of the acc block to the D input of the DFFE symbol.

  3. Repeat steps 1 through 2 to make the additional bus connections between the symbols and blocks shown in the following table:

  4. Draw Bus From: To:
    acc block D input of the DFFE symbol (already entered)
    Q output of DFFE primitive OUTPUT pin yn_out[7..0]

    Show Me

    Conduit Connections


To continue the tutorial, proceed to Step 5: Draw Node Lines.